欢迎光临开云官方端网站官方网站! 设为首页 | 加入收藏
开云官方端网站
工业铝型材及配件系列 倍速线配件系列
辊道输送线 托盘输送机
物流输送滚筒 工业踏步走台系统
机械防护围栏 精益管及结构件
流利条及结构件 自由式输送系列
 
  开云官方端网站新闻 当前位置:网站首页 >> 开云官方端网站新闻 >> 5050工业铝型材国标承重是多少?  
5050工业铝型材国标承重是多少?
发布时间:2019-10-21 16:55:47  访问数:3423

  告诉大家一个好消息,小编昨天接到一位俄罗斯客户的询盘,但这位客户想购买的是3030铝型材而不是5050铝型材,在后台也有很多小伙伴们留言想知道5050国标铝型材的承重力度,由于是后台留言,小编也无法将图纸分享与他。那么小编就单独出一篇5050工业铝型材国标的承重和参数供大家参考。

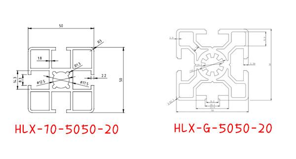
  5050工业铝型材在行业中有好几款,同时它也分为国标与欧标,当然国标铝型材在用于设计结构上,普遍要比欧标铝型材要轻,大家请看下图:

        
  大家可以从上面两个图纸可以观察出,两款型材的不同之处,第一款为欧标50502.0,第二款为国标50502.0,其分别的重量为2.417KG/M 1.828KG/m,因此大家可根据小编给出的参数进而推断国标5050-2.0的承重力度,应该控制的范围,不要超出本身型材的实际重量。

<< 上一篇:工业铝型材厂家揭秘铝型材4040连接件 下一篇:哪有什么岁月静好,只不过是有人替你负重前行 >>
电话:023-68617887 68617883 传真:023-68619776 咨询热线:13637756600
地址:重庆市九龙坡区西彭镇森迪大道8号2幢 版权所有 © 开云官方端网站 2013-2014
主营产品:流水线铝型材、流水线配件、组装线配件、精益管及配件、输送机滚筒
渝ICP备13005523号-8
可信网站 网上交易-保障中心 支付宝-特约商家 经营性网站-备案信息

渝公网安备 50010402000343号